

David Yuan

+86 18659217588

18659217588

Envíanos un correo electrónico:David@batterymaking.com
WhatsApp:+86 18659217588
marca:
TMAXNúmero de artículo:
TMAX-Die-CutterForma de pago:
L/C,T/T,Western Union, PaypalCertificado:
CE , IOS , ROHS SGS , ULPlazo de entrega:
5 días
Características
1. La longitud de alimentación se puede preestablecer, se muestra la regla electrónica y se ajusta la configuración de la pantalla táctil .
2. Rodillo flotante tensor de película de plástico de aluminio, descarga automática , con función de detección de material.
3. Configure el cilindro amplificador de gas-líquido de 10T , conformado por estiramiento servo.
4. La alimentación del servo robot, la longitud se puede configurar a través de la pantalla .
5. La posición del cortador se puede ajustar de acuerdo con la longitud del producto, y el espacio del cortador se puede pretensar y ajustar.
6. Utilizando un controlador programable PLC para lograr un control automático, pantalla táctil para lograr un diálogo hombre-máquina , configuraciones fáciles de operar.
7. La parte del molde está provista de protección de seguridad de cortina de luz y la protección de apertura de puerta necesaria para la puerta visual.
8. Con estadísticas de salida.
9. Hay función de operación manual , automática y función de alarma de falla .
10. Marco combinado : marco inferior cuadrado, marco superior de perfil de aluminio .
Presupuesto
Voltaje | CA 220 V/50 Hz |
Fuerza | 0,5 kW |
Aire comprimido | ≥0,6 MPa 100 L/min |
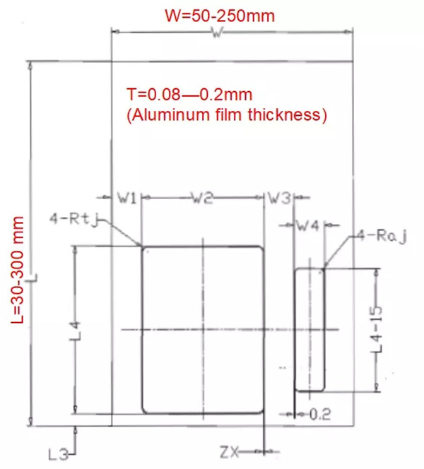
Dimensión | Largo 2350 x Ancho 740 x Alto 1800 mm |
Tamaño máximo de una sola sección | Largo 1650 × Ancho 740 × Alto 1800 mm |
Paralelismo entre el plano inferior del vástago de la matriz y la placa inferior | 0,2 mm |
Tensión de película plástica de aluminio | Tensión del rodillo flotante |
Precisión de profundidad de perforación | ±0,1 mm |
Precisión de alimentación | ±0,2 mm |
Precisión de la regla electrónica | 0,01 mm |
Vida útil del cuchillo de corte | 1 millón de veces (reparación) |
Capacidad del equipo | 500-700 / H (dependiendo del tamaño del producto y la selección del molde) |
Molde aplicable | Se puede utilizar un molde de tres piezas y un molde de resorte (con 1 juego de moldes) |
Tasa de actividad | 95% |
Tasa de aprobación | 99,5% |
Cilindro presurizado | 10T |
El diámetro de la bobina | <Φ350 mm |
















Please read on, stay posted, subscribe, and we welcome you to tell us what you think.
IPv6 network supported