
Envíanos un correo electrónico:David@batterymaking.com
WhatsApp:+86 18659217588
marca:
TMAXNúmero de artículo:
TMAX-3235TForma de pago:
L/C,T/T,Western Union, PaypalCertificado:
CE , IOS , ROHS SGS , ULPlazo de entrega:
5 días
Máquina automática de recubrimiento por transferencia de rollo a rollo con modo de recubrimiento intermitente y continuo
1. Parámetros principales
No. | Nombre del artículo | Especulación |
1 | Sistema de ajuste | Proceso de recubrimiento de placas positivas y negativas de fosfato de hierro y litio, óxido de cobalto y litio y óxido de manganeso y litio. |
2 | Espesor del sustrato de operación | Papel de aluminio: 10-30 um Lámina de cobre: 7-30 um |
3 | Ancho de diseño de la superficie del rodillo | 380 milímetros |
4 | Asegúrese del ancho del recubrimiento | 100~300 mm |
5 | Velocidad de funcionamiento de equipos y maquinaria | 7 m/min |
6 | Velocidad de recubrimiento del equipo | Menos de 2 m/min depende de la condición de secado. |
7 | Adecuado para viscosidad de lodos. | 2000~16000 cps |
8 | Rango de espesor seco de recubrimiento de una sola cara | 50-200 μm |
9 | Longitud mínima del intervalo | ≥ 5 mm (relacionado con las propiedades de la suspensión) |
10 | Longitud mínima de recubrimiento de múltiples secciones | ≥ 20 mm (relacionado con las propiedades de la suspensión) |
11 | Propiedades de los disolventes | Disolvente aceitoso NMP (sg=1,033, punto de ebullición=204℃) |
Disolvente acuoso H2O/NMP (gravedad específica = 1,000, punto de ebullición = 100 °C) | ||
12 | Contenido sólido adecuado | SC positivo 60% ± 20% |
Negativo SC 50% ± 10% (sistema PVDF) SC 50% ± 5% (sistema SBR) | ||
13 | Error de espesor en seco del recubrimiento de una sola cara | ±3 um
|
14 | Método de recubrimiento | Recubrimiento de transferencia intermitente de intervalo desigual de 3 etapas, doble capa frontal y posterior / seguimiento automático del segundo lado / recubrimiento de transferencia continua |
15 | Dirección de ejecución del sustrato | Operación de recubrimiento hacia adelante, avance del sustrato y lámina vacía inversa |
16 | Dimensiones del equipo | Largo, ancho y alto: 8,5*1,5*2,3 m |
2. Introducción a la estructura de cada parte
2. 1. Mecanismo de desenrollado integral del cabezal:
No. | Nombre del artículo | Especulación |
1 | Estructura de instalación de rodillos | Instalación en rack |
2 | Tratamiento de la superficie del rodillo | Oxidación superficial del rodillo metálico de aluminio. |
3 | Sistema de control de tensión | Control automático de bucle cerrado de tensión constante, rango de tensión 0~50 N |
4 | Método de corrección | Control automático EPC, carrera 80 mm |
5 | Método de enrollado | El rollo de material está fijado por un eje de aire de 3 pulgadas ; el desenrollado está soportado por un solo eje. |
6 | Dirección del movimiento del sustrato | Adelante y atrás |
7 | Velocidad de funcionamiento del material base | 5 m/min |
8 | Diámetro máximo de desenrollado | F 300 mm |
9 | Capacidad máxima de carga del eje inflable | 100 kg |
10 | Número de ejes inflables desenrollados | 1 pieza |
11 | Motor de accionamiento principal | servomotor |
12 | Empuje intermitente | Servoaccionamiento |
13 | Tratamiento de superficies de rodillos | La superficie del rodillo de aluminio metálico está oxidada y el descentramiento del círculo es ≤ 30 um. |
14 | Estructura del raspador | Raspador de coma de doble cara, diámetro Ø80mm; |
15 | Control de rotación del ángulo del raspador | Mueva la manija para girar |
16 | Rodillo de recubrimiento (rodillo de acero) | Cromado duro en la superficie, diámetro Ø120mm; |
17 | Rodillo trasero (rodillo de goma) | Diámetro Ø120mm, superficie recubierta con pegamento EPDM importado |
18 | Mezcla en canaleta | El cilindro sin vástago se mueve linealmente, la velocidad es ajustable |
19 | Ajuste intermitente de la altura del raspador | Ajuste manual. |
20 | Posición de cabeza única | Instalación y funcionamiento antes del túnel de secado |
2.2. Horno de secado
No. | Nombre del artículo | Especulación |
1 | Estructura del horno | Calefacción doble, dispuesta arriba y abajo. |
2 | Longitud del horno | 6 metros (3 metros/sección*2) |
3 | Material | Acero inoxidable SUS304, tanque interior de 1,0 mm, tanque exterior de 1,2 mm |
4 | Modo de transmisión del rodillo guía del horno | Accionamiento pasivo de rodillos |
5 | control de temperatura | Se divide en control de protección para la temperatura de funcionamiento normal y monitoreo y alarma de sobretemperatura. En caso de sobretemperatura, se activa una alarma sonora y visual, y se corta la alimentación principal de calefacción. Cada sección se controla de forma independiente. |
6 | Método de calentamiento | Calefacción eléctrica, estructura de circulación de aire caliente. |
7 | Potencia de calentamiento del horno de una sola sección | 13,5 kW/3 m |
8 | Temperatura en el túnel de secado | Máx. 150 ℃ , diferencia de temperatura en un solo horno ≤ 5 ℃ |
9 | Temperatura de la superficie del gabinete durante el funcionamiento | ≤ 45 ℃ |
10 | Método de soplado | Los sopladores de aire superior e inferior, y los volúmenes de aire superior e inferior se controlan por separado mediante válvulas; las cámaras de aire superior e inferior comparten el cuerpo calefactor. |
11 | Cada sección del control del volumen de aire de escape | Volumen de aire del ventilador de circulación: 3000m3/h (sección única) El volumen de aire de escape es de 4000 m3/h. |
12 | Estructura de la boquilla | La dirección de soplado es de 30 grados con respecto a la horizontal y la ranura de la boquilla de aire está ranurada con un molde especial. |
13 | Control de calefacción | Relé de estado sólido |
14 | Material para fans | Acero inoxidable SUS304 |
15 | Sistema de recuperación de disolventes | Opcional |
16 | Alarma de concentración de disolvente NMP | Opcional (añadir $4390) |
2.3. Mecanismo de cuerda: la función es la misma que la de desenrollado, se añaden los siguientes
No. | Nombre del artículo | Especulación |
1 | Tensión | 1 juego está instalado delante del rodillo de tracción, control automático de circuito cerrado de tensión constante, rango de tensión 0 ~ 50 N, control servo. |
2 | Estructura de la instalación | Soldadura de bastidor Fangtong |
3 | Número de ejes de bobinado | 1 pieza, bobinado de un solo brazo |
2.4. Sistema de control
No. | Nombre del artículo | Especulación |
1 | Sistema de control principal | Pantalla táctil, PLC, módulo, servosistema |
2 | Modo de operación | Manual, automático, parada de emergencia; toda la máquina puede operarse antes y después |
3 | Recubrimiento, rango de ajuste de longitud intermitente | Longitud del recubrimiento 20,0 ~3200,0 mm Longitud intermitente 5,0 ~3200,0 mm |
4 | Situación de alarma | Cuando el dispositivo falla, la pantalla táctil mostrará la pantalla de corrección correspondiente. |
5 | Función de conteo | Cantidad/longitud de producción |
6 | Método de ajuste del grosor de la cabeza y la cola | El programa controla la relación de velocidad del rodillo de acero y del rodillo de goma; |
3. Precisión del equipo:
3. 1. Precisión del hardware
No. | Nombre del artículo | Especulación |
1 | Raspador | Desviación del círculo ≤ 1,5 um, Ra0,4, rectitud ≤ 1,5 um |
2 | Rodillo de recubrimiento (rodillo de acero) | Excentricidad del círculo ≤ 1,5 um, Ra0,4 Rectitud ≤ 1,5 um |
3 | rollo de pegamento | Excentricidad del círculo ≤ 10 um, rectitud ≤ 10 um |
4 | Desviación de corrección | ±0,1 mm |
5 | Precisión de repetición del control de ajuste de la cuchilla | ±0,1 um |
6 | Precisión del control de temperatura | ±2℃ |
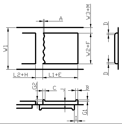
3.2. Precisión del recubrimiento
| A (cola) | ≤1 mm (Relacionado con la viscosidad de la lechada y las propiedades adhesivas) |
B (área anormal de la cabeza) | 10 mm | |
C (área anormal de la cola) | 6 mm | |
D (área de efecto de borde) | ≤3 mm | |
E (error de longitud) | ±0,5 mm | |
F (error de ancho) | ±0,5 mm | |
M (error de ancho) | ±0,5 mm | |
G1 (espesor de la cabeza) | -10~+8um | |
G2 (Espesor de la cola) | -10~+8um | |
H (error en blanco) | ±0,5 mm | |
I (error de bit positivo y negativo) | ±0,5 mm | |
L1 (longitud de la película de recubrimiento) | 20,0 ~3200,0 mm | |
Rango de longitud | L2 (longitud intermitente) | 5,0 ~3200,0 mm |
L1/L2(recubrimiento+longitud discontinua) | L1 + L2 ≥90 mm |
4. Requisitos del entorno de instalación
4.1. La temperatura ambiente del cabezal de la máquina es de 20 a 30 °C y la del resto, de 10 a 40 °C.
4.2. La humedad relativa del cabezal de la máquina, HR positiva ≤35%, HR negativa ≤98% y el resto ≤98%;
5. Instalaciones de apoyo
5.1. Alimentación: 380 V trifásica, 50 Hz, rango de fluctuación de voltaje: +8 % ~-8 %; potencia de arranque total de la fuente de alimentación: 40 kW.
5.2. Aire comprimido: Después del secado, filtrado y estabilización: la presión de salida es superior a 5,0 kg/cm2;











