
Envíanos un correo electrónico:David@batterymaking.com
WhatsApp:+86 18659217588
marca:
TMAXNúmero de artículo:
TMAX-DSForma de pago:
L/C,T/T,Western Union, PaypalCertificado:
CE , IOS , ROHS SGS , ULPlazo de entrega:
5 días
1. Descripción general del equipo
1.1 Descripción del funcionamiento. Esta apiladora de doble estación se utiliza principalmente para el proceso de apilado en Z de celdas prismáticas . Apila láminas de cátodo, láminas de ánodo y separadores en una celda mediante el proceso de apilado en Z, aplicando cinta adhesiva lateralmente, etiquetando con código QR y descargando la celda al siguiente proceso. El equipo consta de los siguientes componentes: mecanismo de alimentación de cajas de material, mecanismo de alineación de cátodo/ánodo, robot de transferencia de láminas de electrodos, unidad de desenrollado de separadores, unidad de mesa de apilado, mecanismo de corte en caliente de separadores, unidad de transferencia de celdas, unidad de aplicación de cinta adhesiva, unidad de etiquetado con código QR y mecanismo de descarga de celdas . Se utiliza para la producción totalmente automatizada de celdas tipo bolsa y prismáticas .
1.2 Diagrama de flujo del proceso

1.3 Disposición del sistema

Nota: Las dimensiones del diagrama son solo de referencia. Consulte la tabla a continuación para obtener las especificaciones detalladas.
Longitud (mm) | Ancho (mm) | Altura (mm) | Observaciones |
4800 | 2400 | 2500 | Tamaño de referencia |
1.4 Apariencia del equipo

2. Especificaciones del producto
2.1 Especificaciones del material entrante
Material | Forma | Longitud (mm) | Ancho (mm) | Espesor (μm) | Diámetro interior (mm) | Diámetro exterior máximo (mm) |
Cátodo | Hoja | 60–110 | 110–180 | 100–200 | — | — |
Ánodo | Hoja | 60–110 | 110–180 | 80–180 | — | — |
Pestaña de cátodo | — | 10–35 | 10–50 | 7–12 | — | — |
Pestaña de ánodo | — | 10–35 | 10–50 | 6–10 | — | — |
Separador | Rollo | — | 60–110 | 10–30 | φ76,2 | φ350 |
Cinta | Rollo | — | 10–30 | 15–50 | φ76,2 | φ150 |
Observaciones: (1) La longitud del electrodo se refiere a la dirección de la pestaña , excluyendo la longitud de la pestaña . (2) Las láminas del electrodo deben estar libres de gotas de polvo significativas y bordes ondulados ; error de troquelado < 0,3 mm . (3) Sin deformaciones o adherencias obvias entre las láminas del electrodo. (4) Desviación de la serpentina del separador : 1 mm/1000 mm .
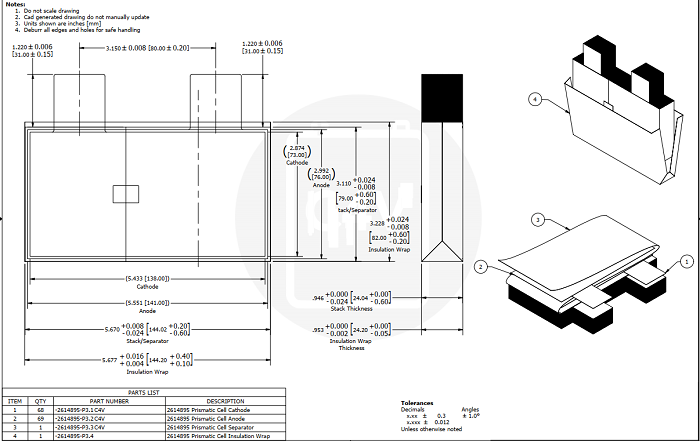
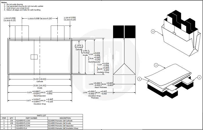
2.2 Dimensiones del producto
Artículo | Especulación | Celúla |
Espesor H (mm) | 10–30 |
|
Ancho W (mm) | 110–180 | |
Longitud L (mm) | 60–110 | |
Longitud de la pestaña L1 (mm) | ≤35 | |
Ancho de pestaña (mm) | ≤40 | |
Dirección de la pestaña | Mismo lado |
2.3 Células de referencia
Punto de referencia 1 : celda de 30 AH (20 PPM) - 3,9 V 30 AH, 68 cátodos , 69 ánodos

Punto de referencia 2 : celda de 60 AH (10 PPM) - 3,9 V 60 AH, 136 cátodos , 138 ánodos

3. Capacidades técnicas del equipo
Artículo | Parámetro |
Eficiencia de producción | Máquina completa: ≥0,4 ppm (punto de referencia 1) Velocidad de apilamiento de una sola estación ≤1,8 s/pieza Tiempo auxiliar: ≤25s |
Producir | ≥99% (solo defectos causados por la máquina) |
Tasa de utilización | ≥98% (solo tiempo de inactividad relacionado con la máquina) |
Fuente de alimentación | 380 V CA ± 8 %, trifásica, 5 cables, 50 Hz |
Fuerza | 40 kW |
Aire comprimido | 0,5–0,7 MPa |
Peso del equipo | Aprox. 5000 kg; Carga sobre el suelo ≥600 kg/m² |
Alineación del centro cátodo-ánodo | ≤±0,3 mm |
Alineación del centro del separador y el ánodo | Adyacente ≤±0,3 mm, General ≤±0,5 mm |
Precisión de alineación de celdas apiladas | ≤±0,5 mm |
Alineación CPK | ≥1,33 |
4. Lista de configuración
No. | Nombre del módulo | Cantidad | Descripción | Configuración |
1 | Unidad de alimentación | 2 | 1. Precisión de posicionamiento del cargador: ±1 mm; 2. Bandejas positivas/negativas con protección contra fallos; 3. Eliminación de polvo y de hojas dobles; 4. Conectado a la línea logística para alimentación automática y devolución de bandeja vacía. | Estándar |
2 | Plataforma de alineación CCD | 4 | Precisión de posicionamiento: ±0,1 mm; Método de posicionamiento: alineación CCD. | Estándar |
3 | Robot de transferencia de electrodos | 4 | Precisión de posicionamiento del eje X: ±0,02 mm. | Estándar |
4 | Desenrollado del separador | 2 | Corrección de desviación de carrera: ±15 mm; Precisión de corrección: ±0,1 mm; Diámetro máximo del rollo: ≤Φ350mm. | Estándar |
5 | Mesa apilable | 2 | Espesor de la pila: 10–30 mm; Método de apilamiento: plegado en Z. | Estándar |
6 | Unidad de corte separadora | 2 | Método de corte: corte en caliente; Vida útil de la cortadora: ≥100.000 veces; Precisión: ±0,3/300mm. | Estándar |
7 | Abrazadera de celda apilada | 1 | Precisión de traducción: ±0,05 mm. | Estándar |
8 | Unidad de cinta de código QR | 1 | Ancho de la cinta: 10–30 mm; Diámetro del rollo de cinta: ≤150 mm; Precisión de la posición del adhesivo: ±1 mm; Vida útil de la cuchilla: ≥200.000 veces. | Opcional |
9 | Unidad de abrazadera de cinta lateral | 1 | Precisión de traducción: ±0,1 mm. | Opcional |
10 | Unidad de cinta lateral | 2 | Ancho de la cinta: 10–30 mm; Diámetro del rollo de cinta: ≤150 mm; Precisión de posición: ±0,5 mm; Vida útil de la cortadora: ≥200.000 veces; Método de vendaje: Dedo-C; Longitud de la cinta: 20–80 mm. | Opcional |
11 | Robot de descarga de células | 1 | Precisión de colocación de la celda en la bandeja: ±0,5 mm. | Estándar |
12 | Sistema de eliminación de polvo | 1 | Fuerza de desmagnetización: ≥8000Gs; Nivel de sala limpia: ≥Clase 100.000. | Estándar |
13 | Sistema operativo | 1 | Controlado mediante pantalla táctil. | Estándar |
14 | Cerramiento del marco de la máquina | 1 | Marco de tubo cuadrado soldado con acabado de pintura (color según carta de colores). | Estándar |
15 | Sistema de gestión de datos | 1 | Reservado para la interfaz MES. | Opcional |
5. Descripciones de los componentes de configuración
5.1 Alimentación de la lámina de electrodos

5.1.1 Función: Las bandejas de electrodos se entregan a la máquina mediante la línea logística. Al detectarlas, el brazo robótico comienza a recoger automáticamente las láminas de la bandeja.
5.1.2 Configuración y parámetros:
1. Diseño de bandeja infalible: Las placas base de la bandeja positiva/negativa cuentan con cortes únicos y sensores que evitan la carga incorrecta. La máquina emitirá una alarma si se produce una carga incorrecta.
2. Las placas inferiores de la bandeja, ajustables a medida, se adaptan a diferentes tamaños de electrodos. El borde de la bandeja incluye sistemas de cepillado y soplado de aire para evitar la duplicación de láminas.
3. Una posición de recogida de bandeja por estación de apilamiento tanto para cátodo como para ánodo; capacidad de bandeja ≥1000 piezas.
4. Las zonas de la bandeja positiva y negativa están aisladas para evitar la contaminación cruzada por polvo.
5.2 Plataforma de alineación CCD

5.2.1 Función: El electrodo extraído de la bandeja se coloca en la plataforma de alineación. El sistema de inspección CCD y movimiento XYZ realiza la alineación secundaria para garantizar la precisión del apilado.
5.2.2 Configuración y parámetros:
1. Sistema de visión CCD con retroiluminación debajo de la plataforma.
2. Se utilizan placas de succión al vacío durante la alineación para evitar daños en los bordes o caída de polvo.
3. Corrección de 3 ejes (X, Y, R) mediante módulos XYZ; precisión ±0,1 mm; recorrido: X ±10 mm, Y ±10 mm, R ±5°.
4. El soplado de presión positiva y la succión de presión negativa en ambos lados mantienen la limpieza de la superficie.
5. Detección ultrasónica de doble lámina para identificar la ausencia o el exceso de electrodos. La alarma se activa si hay doble lámina y el funcionamiento se reanuda tras su retirada.
6. Las láminas de electrodos NG se rechazan automáticamente. Los fallos repetidos activan una alarma; el umbral de conteo es ajustable.
7. Todos los datos de inspección se almacenan en el IPC y se pueden cargar en MES.
5.3 Robot de transferencia de electrodos

5.3.1 Función: Accionados por módulos lineales, los brazos de succión internos y externos mueven el electrodo desde la bandeja → plataforma de alineación → mesa de apilamiento, coordinándose con el desenrollado y apilado del separador para completar el apilado en Z.
5.3.2 Configuración y parámetros:
1. Robots de cátodo/ánodo accionados por módulos lineales para transferencia precisa y de alta velocidad; precisión de posicionamiento ±0,02 mm.
2. Movimiento del eje Z mediante cilindro para brazos de succión internos/externos, lo que permite un movimiento rápido y sincronizado.
3. Los interruptores de presión monitorean la succión de vacío; el vacío anormal activa la alarma y detiene la máquina.
4. Brazos de succión externos equipados con vibración de alta frecuencia para evitar la recogida de múltiples hojas.
5. Los brazos de succión internos utilizan boquillas de silicona y espuma antiestática para una recogida segura y sin daños.
5.4 Desenrollado del separador

5.4.1 Función: El separador de rollo completo se desenrolla continuamente con control de tensión, amortiguación y corrección de bordes. En coordinación con el robot de transferencia de láminas de electrodos y el movimiento alternativo de la mesa de apilado, se completa el apilado en Z.
5.4.2 Configuración y parámetros:
1. Utiliza un sistema de desenrollado de eje de expansión de aire de un solo eje de 3 pulgadas con una plataforma de empalme y función de cálculo de diámetro; la plataforma de empalme incluye marcas de escala.
2. El mecanismo de tensión utiliza un cilindro con brazo oscilante; rango de tensión: 0–2000 gf . El rodillo amortiguador se controla mediante un cilindro y un regulador de precisión para garantizar una respuesta rápida durante la conmutación del separador y evitar el deslizamiento.
3. Los rodillos de fibra de carbono , pulidos a Ra0.8+, evitan la formación de arrugas en el separador.
4. La corrección de bordes utiliza un sensor de fibra óptica japonés de alta sensibilidad que detecta todo tipo de separadores, independientemente de su transparencia. Un servomotor con tornillo de precisión realiza la corrección con una precisión de ±0,1 mm y un recorrido de corrección de ±15 mm .
5. La carga del separador está alineada con el borde de referencia interno , el posicionamiento mecánico hace que el cambio de rollo sea conveniente; diámetro máximo del rollo: ≤Φ350 mm .
6. Incluye cálculo de diámetro ; alarma automática y parada cuando el material está bajo.
7. El eliminador estático instalado cerca de la mesa de apilamiento evita la atracción de polvo y la contaminación.
5.5 Montaje de la mesa apilable

5.5.1 Función: El robot de transferencia de electrodos coloca las láminas en la mesa de apilado. Las cuchillas de prensado se alternan para comprimir las láminas mientras la mesa alterna entre las posiciones de cátodo y ánodo, completando así el apilado en Z.
5.5.2 Configuración y parámetros:
1. El servomotor + el tornillo de bola de precisión permiten una elevación con una precisión de ±0,01 mm; altura de apilamiento de 10 a 30 mm, el recuento de pilas se muestra en tiempo real en la HMI.
2. Las cuchillas de prensado se mueven hacia adelante y hacia atrás mediante un cilindro; están fabricadas en material SUS440C de alta dureza (HRC > 50°) con transiciones de arco y pulido espejo. La presión se ajusta mediante un regulador de precisión; evita daños en la hoja, caída de polvo y arrugas en el separador . Uso prolongado sin deformación.
3. Movimiento horizontal mediante servomotor + tornillo de bola de precisión , que ofrece alta capacidad de respuesta, velocidad y precisión ; precisión de posicionamiento: ±0,02 mm .
4. Utiliza 4 juegos de cuchillas de presión para mantener alternativamente las hojas en su lugar; garantiza que no haya desalineación ni daños durante el apilado en Z.
5.6 Mecanismo de corte del separador

5.6.1 Función: Utiliza corte térmico ; un elemento calefactor calienta rápidamente para cortar el separador después del apilamiento.
5.6.2 Configuración y parámetros:
1. Accionado por cilindro; elemento térmico de calentamiento rápido, apto tanto para separadores normales como con revestimiento cerámico . Equipado con protección de seguridad . Los bordes cortados están libres de grietas, ondulaciones, rebabas y deshilachados.
2. Vida útil de la cuchilla: ≥100.000 ciclos .
3. Corta al ras del borde de la celda o se extiende 1 a 2 mm más allá del borde de la mesa.
4. Rectitud de corte : ±0,3/300 mm .
5.7 Abrazadera de descarga de apilamiento

5.7.1 Función: Transfiere las celdas terminadas desde la mesa de apilado a la estación de corte separador, bobinado de cola y encintado.
5.7.2 Configuración y parámetros:
1. Utiliza una pinza neumática paralela de tipo delgado con diseño ajustable para adaptarse a diferentes espesores y anchos de celda; fácil cambio de formato.
2. Presión regulada por válvula de presión de precisión ; superficies no metálicas para evitar rayones.
3. La pinza incluye un soplador de aire positivo para evitar que el separador inferior se hunda y se arrugue.
4. Movimiento horizontal mediante servo + correa de distribución , respuesta rápida, posicionamiento preciso: ±0,05 mm .
5.8 Mecanismo de etiquetado de códigos QR

5.8.1 Función: Extrae, corta, escanea y aplica automáticamente la cinta con código QR a la superficie de la celda. Rechaza automáticamente los códigos QR defectuosos.
5.8.2 Configuración y parámetros:
1. Tracción mediante servomotor + correa de distribución , corte mediante cilindro . Precisión de longitud/posición de la cinta: ±0,5 mm . Ancho de la cinta: 10–30 mm .
2. Fresa fabricada en acero de alta velocidad SKH-9 , HRC > 50°, vida útil ≥200.000 ciclos .
3. Escanee previamente el código QR antes de pegarlo; los códigos defectuosos se descartan automáticamente.
4. Utiliza un mandril de liberación rápida para facilitar el reemplazo del rollo; diámetro interior: 3 pulgadas , diámetro máximo: ≤Φ150 mm . Alarma de agotamiento de la cinta.
5.9 Mecanismo de abrazadera adhesiva

5.9.1 Función: Sujeta la celda con placas superior e inferior, mediante aplicación de adhesivo lateral.
5.9.2 Configuración y parámetros:
1. Sujete la celda firmemente para garantizar una aplicación limpia y segura del adhesivo.
2. Presión de abrazadera regulada por válvula de presión de precisión .
3. La superficie de contacto de la abrazadera no es metálica para evitar dañar la celda.
4. Rotación de abrazadera impulsada por servo + reductor de precisión , incluye posicionamiento mecánico de pasador para una colocación precisa de la cinta.
5. Movimiento horizontal mediante servo + correa de distribución , rápido y preciso; precisión de posicionamiento: ±0,05 mm .
5.10 Unidad de aplicación de cinta lateral

5.10.1 Función:
Esta unidad utiliza encintado tipo C , aplicando la cinta de abajo a arriba sobre la celda sujeta en el soporte adhesivo. Tira, corta y aplica la cinta automáticamente por los cuatro lados. La celda encintada se mantiene limpia, firme e intacta en los electrodos, las pestañas o el separador.
5.10.2 Configuración y parámetros:
1. Tras sujetar la celda con el dispositivo de fijación, se traslada a la unidad de encintado. El encintado tipo C se realiza de abajo a arriba con alimentación, tracción y corte automáticos de la cinta . Los rodillos y los mecanismos de alimentación de la cinta cuentan con un tratamiento antiadherente. La celda encintada queda limpia, firme y sin daños .
2. Los ejes Z y X son accionados por un servomotor y una correa síncrona . La longitud de la cinta y la precisión de posición son de ±0,5 mm . La longitud de tracción se puede ajustar de 20 a 60 mm y el ancho de la cinta de 10 a 30 mm .
3. Tras encintar, un cilindro empuja el cortador de cinta para cortarla. Se puede encintar por los cuatro lados ; la posición y el conteo de la cinta se pueden configurar mediante la pantalla táctil y guardar para su uso posterior.
4. El cortador está hecho de acero moldeado de alta velocidad SKH-9 , HRC50°+ , corte afilado y consistente, vida útil ≥200,000 veces .
5. Diseño de mandril de liberación rápida para un fácil reemplazo de cinta; diámetro interior de 3 pulgadas , diámetro máximo del rollo ≤150 mm, alarma de cinta baja .
5.11 Manipulador de descarga de células

5.11.1 Función:
El manipulador descarga las células prensadas térmicamente , las transfiere a la bandeja sin rayar el separador ni dañar las células.
5.11.2 Configuración y parámetros:
1. Mordazas de sujeción accionadas por cilindros para una respuesta rápida y un posicionamiento preciso.
2. Las mordazas sujetan la celda de forma segura; la presión es ajustable mediante un regulador de precisión para evitar dañar la superficie de la celda.
3. Tras sujetar la celda, se coloca en la bandeja, que se abre automáticamente . La bandeja se transfiere mediante una cinta transportadora .
5.12 Sistema de eliminación de polvo

5.12.1 Función:
Equipado con un ventilador de extracción de polvo , conectado a cada estación mediante tuberías. La succión de presión negativa recoge el polvo en el depósito de polvo. La parte superior del equipo está equipada con un sistema de aire limpio FFU para garantizar una presión positiva y una limpieza de clase ≥100,000 .
5.12.2 Configuración y parámetros:
1. Control de polvo durante todo el proceso de troquelado. Equipado con aire ionizado para la eliminación de polvo en ambos lados de las láminas de electrodos e imanes circulares de alta potencia con un campo magnético superior a 8000 Gs .
2. Método de succión: ventilador centrífugo conectado a la caja de polvo; flujo de aire ≥15 m/s.
3. Las unidades de filtro FFU en la parte superior suministran aire limpio a la máquina. Con el extractor de vacío, el aire circula eficazmente.
4. Limpieza interna clase ≥100.000 .
5.13 Bastidor y envolvente de la máquina

5.13.1 Función:
El marco está soldado con tubo cuadrado y recubierto de pintura . La carcasa combina perfiles de aluminio y paneles acrílicos para separar y proteger las áreas funcionales.
5.13.2 Configuración y parámetros:
1. Marco de tubo cuadrado soldado con superficie pintada. Color según muestrario del cliente .
2. Blindado con chapa metálica/aleación de aluminio + paneles acrílicos .
3. Las puertas de mantenimiento equipadas con sensores y enclavamientos previenen accidentes.
4. Estructura sellada con interruptor de seguridad y botón de parada de emergencia .
5.14 Sistema operativo (Sistema de gestión de datos)

5.14.1 Función: Controlar el funcionamiento de cada unidad a través de la interfaz de pantalla táctil .
5.14.2 Configuración y parámetros:
1. Sistema basado en PLC; operación con pantalla táctil y botones.
2. Pantalla táctil fácil de usar , parámetros ajustables, protección de enclavamiento .
3. Carga de datos al MES; admite la descarga de parámetros de proceso desde el MES . El fabricante proporciona la interfaz de datos según sea necesario.
4. Sistema integral de alarma de fallos ; la ubicación de los fallos y el mal funcionamiento de los componentes se muestran en la pantalla táctil. Visualización completa de E/S.
5. Funcionamiento fluido con alarmas completas y funciones anti-mal funcionamiento . Las fallas se muestran claramente para una rápida resolución de problemas.
6. La configuración de parámetros tiene acceso controlado. Se requiere contraseña para ajustes críticos. Se pueden guardar y recuperar al menos dos conjuntos de parámetros del producto .
7. Control de acceso de cuatro niveles (administrador, equipo, proceso, operador); cierre de sesión automático después de 3 minutos de inactividad .
6. Requisitos energéticos del equipo
Artículo | Especificación |
Dimensiones | L4800 x W2400 x H2500 (sujeto al modelo real) |
Peso / Carga | Aprox. 5000 kg; >600 kg/m² |
Color | Según la muestra de color proporcionada por el cliente |
Fuente de alimentación | CA 380 V trifásica; Fluctuación de voltaje ±8 % |
Fuerza | 45 kW |
Aire comprimido | 0,5–0,7 Mpa (5–7 kgf/cm²), consumo 45 m³/h |
Vacío | Sistema de vacío incorporado |
Temperatura ambiente. | 5–40 °C |
Humedad | 5–55% de humedad relativa |
Aire / Polvo | Sin gases salados, tóxicos o corrosivos; libre de polvo conductor |
Campo magnético y vibración | Sin interferencias magnéticas; libre de impactos o vibraciones perceptibles |
7. Tabla de configuración de componentes clave y consumibles
7.1 Descripción general de los componentes del equipo
No. | Nombre | Marca o equivalente | Observaciones |
1 | Controlador PLC | Siemens |
|
2 | Servomotor | Siemens |
|
3 | Motor paso a paso | Oriental, Shinano, Leadshine |
|
4 | Componentes neumáticos | SMC, Airtac, CKD, CHELIC |
|
5 | Interruptor magnético | SMC, Airtac, CKD |
|
6 | válvula solenoide | SMC, Airtac |
|
7 | Tornillo de bola | THK, MISUMI, TBI, HIWIN |
|
8 | Guía lineal | HIWIN, CSK, MISUMI |
|
9 | Computadora industrial | Adlink, Advantech |
|
10 | Sistema de visión CCD | Supersónico, Hikvision, OPT |
|
11 | Cojinete | NSK, SKF, MISUMI |
|
12 | Colector de polvo | Puhua, Huele o equivalente |
|
13 | Sensor | Panasonic |
|
14 | Sensor de fibra óptica | Panasonic |
|
15 | Reductor | Xinliyin, Zhongda |
|
16 | Controlador EPC | Boxeo, Timac |
|
17 | Pantalla táctil | Weintek, Fuji, Proface, Kunlun Tongtai |
|
18 | Relé | Omron, Siemens, Schneider |
|
19 | Fuente de alimentación | Siemens, Omron, Schneider, Meanwell |
|
20 | Cortacircuitos | Schneider, Siemens, ABB o equivalente |
|
21 | Interruptor fotoeléctrico | Omron, SICK, Keyence o equivalente |
|
22 | Bomba de vacío | Leybold, Aodopao, Zhongde |
|
23 | Controlador de tensión | MESSSYS, Boxeo, Timac, Kaiduo |
|
24 | Contactor | Schneider, Siemens, ABB o equivalente |
|
25 | Báscula electrónica | Y, Mettler, Hongweicheng |
|
26 | Polea/correa de distribución | IHD, MISUMI o equivalente |
|
27 | Escáner de código de barras | Keyence, Honeywell |
|
7.2 Descripción general de consumibles
No. | Nombre | Modelo / Especificaciones | Fabricante | Observaciones |
1 | Cartucho de filtro de polvo | / | Tmáx. | Para los fans |
2 | Cortador separador | Personalizado | Tmáx. |
|
3 | Cortador de cinta lateral | Personalizado | Tmáx. |
|
4 | Ventosa interior | PAG-15 | Mercado / Nacional |
|
5 | Ventosa exterior | X7H-1070BC | Mercado / Nacional |
|
7.3 Repuestos incluidos (por unidad)
No. | Nombre | Modelo / Especificaciones | Cantidad | Fabricante | Observaciones |
1 | Interruptor fotoeléctrico | FC-SPX303Z | 2 | Jiazun / Doméstico |
|
2 | Interruptor magnético | DMSG-20 | 2 | Airtac / Taiwán |
|
3 | Varilla de succión | X7H-1070BC | 10 | Mercado / Nacional |
|
4 | Ventosa | PAG-15 | 10 | Mercado / Nacional |
|
5 | válvula solenoide | SY5120-5LZD-01 | 2 | SMC / Japón |
|
6 | Cortador de cinta lateral | / | 1 | Personalizado |
|
7 | Cortador separador | / | 1 | Personalizado |
|
8 | Juego de llaves hexagonales | 1,5-10 mm (9 piezas) | 1 | OCHO / Japón |
|
9 | Juego de llaves de boca | 8 piezas | 1 | SATA / EE. UU. |
|
10 | Destornillador magnético fuerte (plano) | DG-03 | 1 | INGENIERO / Japón |
|
11 | Destornillador con imán fuerte (Philips) | DG-04 | 1 | INGENIERO / Japón |
|
12 | Alicates de punta fina | RML-150 / 6 pulgadas 150 mm | 1 | RUBICON / Japón |
|
13 | Alicates diagonales | RD-150 / 6 pulgadas 150 mm | 1 | RUBICON / Japón |
|
14 | Alicates de punta plana | 8 pulgadas | 1 | RUBICON / Japón |
|
15 | Caja de instrumento | Metal, 2 capas 300x200x200 | 1 | Mercado / Nacional |
Planta de ensamblaje de producción












